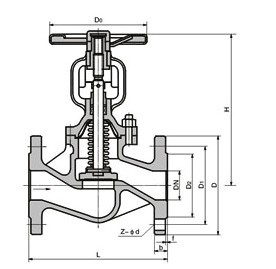
WJ41/WJ44/WJ45/WJ61/WJ11德标波纹管截止阀适用于公称压力PN1.6~16MPa,工作温度-29~350℃的易燃、易爆、剧毒、毒性流体、高温导热油、液氨等介质。广泛应用于:石油化工、化纤纺织、塑料造纸、电力钢铁、印染橡胶、天然气等其它气体系统中,性能安全可靠,广泛应用于乙二醇等工业流体。驱动方式有手动、齿轮传动、电动、气动等。产品结构合理、密封可靠,双重坚固耐用的波纹管密封设计(波纹管+填料),保证阀杆的零泄漏。没有流体损失,提高工厂设备安全。并符合国际密封标准。密封面堆焊Co基硬质合金、耐磨、耐腐、抗摩擦性能好、使用寿命长。阀杆调质及表面氮化处理,有良好的抗腐和抗摩擦性能;阀杆升降位置指示,更直观。
|
驱动方式 |
手动 |
|
电动 |
|
|
设计标准 |
DIN3356 |
|
结构长度 |
DIN3202 |
|
连接法兰 |
DIN2543-2545 |
|
试验和检验 |
DIN3230 |
二、WJ41/WJ44/WJ45/WJ61/WJ11德标波纹管截止阀产品性能规范:
|
公称压力(MPa) |
壳体试验压力(MPa) |
密封试验压力(MPa) |
适用温度(℃) |
|
1.6 |
2.4 |
1.76 |
|
|
2.5 |
3.75 |
2.75 |
|
|
4.0 |
6.0 |
4.4 |
|
|
6.4 |
9.6 |
7.04 |
注:系列阀门连接法兰可根据用户要求设计制造
三、WJ41/WJ44/WJ45/WJ61/WJ11德标波纹管截止阀规格尺寸及重量:
|
型号 |
WJ41-16 |
||||||||||||||||||||||||||||||||||||||||||||
|
压力等级 |
PN16 |
||||||||||||||||||||||||||||||||||||||||||||
|
口径 |
15 |
20 |
25 |
32 |
40 |
50 |
65 |
80 |
100 |
125 |
150 |
200 |
250 |
300 |
350 |
||||||||||||||||||||||||||||||
|
L |
130 |
150 |
160 |
180 |
200 |
230 |
290 |
310 |
350 |
400 |
480 |
600 |
730 |
850 |
980 |
||||||||||||||||||||||||||||||
|
H |
195 |
200 |
220 |
225 |
235 |
250 |
260 |
265 |
370 |
400 |
515 |
550 |
600 |
630 |
680 |
||||||||||||||||||||||||||||||
|
Do |
130 |
130 |
130 |
130 |
150 |
150 |
180 |
180 |
200 |
200 |
400 |
450 |
450 |
500 |
500 |
||||||||||||||||||||||||||||||
|
重量(Kg) |
4 |
4.5 |
5 |
7 |
9 |
12.5 |
18 |
23 |
41 |
54 |
90 |
160 |
260 |
410 |
610 |
||||||||||||||||||||||||||||||
|
型号 |
WJ41-25 |
||||||||||||||||||||||||||||||||||||||||||||
|
压力等级 |
PN25 |
||||||||||||||||||||||||||||||||||||||||||||
|
口径 |
15 |
20 |
25 |
32 |
40 |
50 |
65 |
80 |
100 |
125 |
150 |
200 |
250 |
300 |
350 |
||||||||||||||||||||||||||||||
|
L |
130 |
150 |
160 |
180 |
200 |
230 |
290 |
310 |
350 |
400 |
480 |
600 |
730 |
850 |
980 |
||||||||||||||||||||||||||||||
|
H |
195 |
200 |
220 |
225 |
235 |
250 |
260 |
265 |
370 |
400 |
515 |
550 |
600 |
630 |
680 |
||||||||||||||||||||||||||||||
|
Do |
130 |
130 |
130 |
130 |
150 |
150 |
180 |
180 |
200 |
200 |
400 |
450 |
450 |
500 |
450 |
||||||||||||||||||||||||||||||
|
重量(Kg) |
4 |
4.5 |
5 |
7 |
9.5 |
13 |
19 |
24 |
43 |
57 |
95 |
168 |
300 |
510 |
680 |
||||||||||||||||||||||||||||||
|
型号 |
WJ41-40 |
||||||||||||||||||||||||||||||||||||||||||||
|
压力等级 |
PN40 |
||||||||||||||||||||||||||||||||||||||||||||
|
口径 |
15 |
20 |
25 |
32 |
40 |
50 |
65 |
80 |
100 |
125 |
150 |
200 |
250 |
300 |
350 |
||||||||||||||||||||||||||||||
|
L |
130 |
150 |
160 |
180 |
200 |
230 |
290 |
310 |
350 |
400 |
480 |
600 |
730 |
850 |
980 |
||||||||||||||||||||||||||||||
|
H |
195 |
200 |
220 |
225 |
235 |
250 |
260 |
265 |
370 |
400 |
515 |
550 |
600 |
630 |
680 |
||||||||||||||||||||||||||||||
|
Do |
130 |
130 |
130 |
130 |
150 |
150 |
180 |
180 |
200 |
200 |
400 |
450 |
450 |
||||||||||||||||||||||||||||||||


